3/2 Пневмораспределитель 237-662 000/1, G1/4, 1200 л/мин
Артикул: 237-662 000/1
от 0,00 Р
Производитель:
PPT PETOLETKA
Аналоги:
FESTO VL/0-3-1/4
3/2 Пневмораспределитель 237-662 000/1, G1/4, 1200 л/мин
Поделиться:
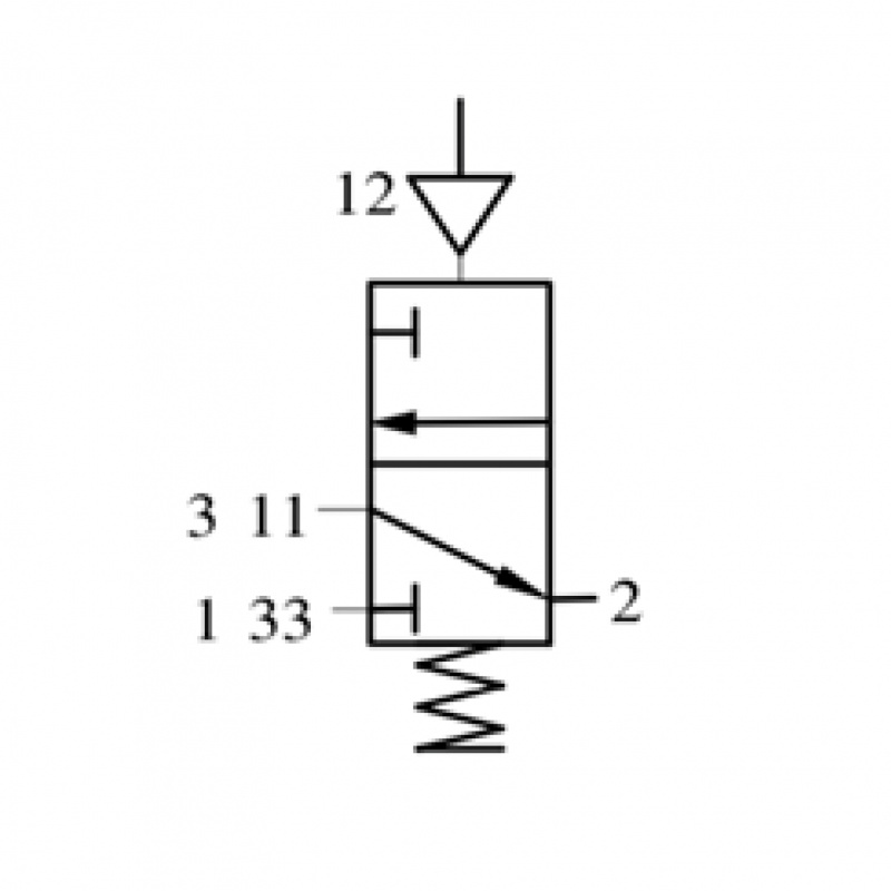
3/2 Пневмораспределитель с пневматическим управлением 237-662 000/1, G1/4, 1200 л/мин
Условный проход NO 7 mm. Пропускная способность 1200 л/мин. Рабочая схема 3/2. t -50°С…+80°С.
Применение:
Одностороннее пневматическое управление с пружинным возвратом. Max -10 bar.
Аналоги:
FESTO VL/0-3-1/4
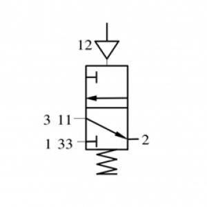
Условный проход NO 7 mm. Пропускная способность 1200 л/мин. Рабочая схема 3/2. t -50°С…+80°С.
Применение:
Одностороннее пневматическое управление с пружинным возвратом. Max -10 bar.
Аналоги:
FESTO VL/0-3-1/4
Производитель: PPT PETOLETKA
Единица измерения: шт.
Купить 3/2 Пневмораспределитель 237-662 000/1, G1/4, 1200 л/мин вы можете в компании СпецМашКомплект, оформив заказ в интернет магазине, или
отправив заявку
по почте, а также по телефону
или в
офисе компании
.
Вам может понравиться
3/2
3/2 Пневмораспределитель двухпозиционный MBU Pneumatic 23QA-L15 НЗ
от 0,00 Р
3/2
3/2 Пневмораспределитель 237-655 000, G1/8, 400 л/мин
от 0,00 Р
3/2
3/2 Пневмораспределитель двухстороннего действия 237-656 000, G1/8, 400 л/мин
от 0,00 Р
3/2
3/2 Пневмораспределитель 237-662 000/1, G1/4, 1200 л/мин
от 0,00 Р
3/2
3/2 Пневмораспределитель 236-316 000/1 , G1/2, 3700 л/мин
от 0,00 Р



