от 0,00 Р
Производитель:
PPT PETOLETKA
Аналоги:
Festo VL-5-1/2
Bosch Rexroth Aventics R434005858
Bosch Rexroth Aventics R434004371
Bosch Rexroth Aventics R434005858
Bosch Rexroth Aventics R434004371
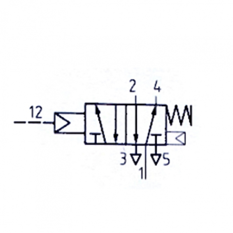
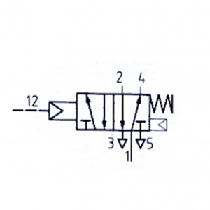
5/2 Пневмораспределитель 242-801 400, G1/2, 3400 л/мин
Поделиться:
5/2 Пневмораспределитель 242-801 400, G1/2, 3400 л/мин
Условный проход NO 12 mm.
Пропускная способность 3400 л/мин.
Рабочая схема 5/2. t -50°С…+80°С.
Активация: одностороннее пневматическое управление с пружинным возвратом.
Max -10 bar.
Аналоги:
Festo VL-5-1/2; Bosch Rexroth R434005858, R434004371
Условный проход NO 12 mm.
Пропускная способность 3400 л/мин.
Рабочая схема 5/2. t -50°С…+80°С.
Активация: одностороннее пневматическое управление с пружинным возвратом.
Max -10 bar.
Аналоги:
Festo VL-5-1/2; Bosch Rexroth R434005858, R434004371
Производитель: PPT PETOLETKA
Единица измерения: шт.
Купить 5/2 Пневмораспределитель 242-801 400, G1/2, 3400 л/мин вы можете в компании СпецМашКомплект, оформив заказ в интернет магазине, или
отправив заявку
по почте, а также по телефону
или в
офисе компании
.
Вам может понравиться
3/2
3/2 Пневмораспределитель двухпозиционный MBU Pneumatic 23QA-L15 НЗ
от 0,00 Р
3/2
3/2 Пневмораспределитель 237-655 000, G1/8, 400 л/мин
от 0,00 Р
3/2
3/2 Пневмораспределитель двухстороннего действия 237-656 000, G1/8, 400 л/мин
от 0,00 Р
3/2
3/2 Пневмораспределитель 237-662 000/1, G1/4, 1200 л/мин
от 0,00 Р
3/2
3/2 Пневмораспределитель 236-316 000/1 , G1/2, 3700 л/мин
от 0,00 Р





